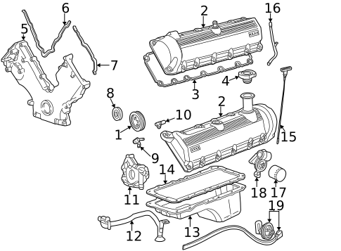
Hardware, Fasteners & Fittings for 2007 Ford F-250 Super Duty
No.
Part # / Description / Price
Price
3
OEM NEW 05-07 Ford F250 350 SD Right Rocker Arm Valve Cover Gasket 3L3Z-6584-EA
Ford
Ford Positions: Right
Description: F150, Mark LT. 5.4l. Expedition, Navigator. 5.4l. Sohc. Right. From 5/21/04. 5.4l ohv. F250 pick-up. 4.6L, to 8/07/06. Mustang.
MSRP $91.33
$63.02
MSRP $91.33
$63.02
3
Gasket
Ford
Ford Positions: Left
Description: F150, Mark LT. 5.4l. Expedition, Navigator. 5.4l. Sohc. Left. From 5/21/04. 5.4l ohv. F250 pick-up. 4.6L, to 8/07/06. Mustang.
MSRP $138.83
$95.80
MSRP $138.83
$95.80
5
Engine Timing Cover
Ford
Ford Description: 6.8L. 5.4L. F250 super duty. F350. F250 pick-up.
MSRP $182.05
$125.61
MSRP $182.05
$125.61
5
Engine Timing Cover
Ford
Ford Description: F150, Mark LT. 5.4l. Expedition, Navigator. 5.4l. Sohc.
MSRP $221.00
$152.49
MSRP $221.00
$152.49
6
OEM NEW 2004-2014 Ford Expedition Navigator Front Timing Cover Gasket 3L3Z6020EA
Ford
Ford Description: Center. F250 super duty. F150. Expedition, Navigator. 5.4l. Sohc. Left. 5.4l ohv, side. F350. F250 pick-up.
MSRP $22.00
$15.73
MSRP $22.00
$15.73
7
OEM NEW Ford 08-14 Expedition Front Right Side Timing Cover Gasket 3L3Z6020FA
Ford
Ford Positions: Right
Description: Right. 5.4L, side. F250 super duty. F150. Expedition, Navigator. 5.4l. Sohc. 5.4l ohv, center. F350. F250 pick-up. Outer.
MSRP $14.15
$10.89
MSRP $14.15
$10.89
7
OEM NEW 08-14 Ford Expedition Navigator Left Timing Cover Gasket 3L3Z6020DA
Ford
Ford Positions: Left
Description: Left. F250 super duty. F150. Expedition, Navigator. 5.4l. Sohc. Center. 5.4l ohv, side. F350. F250 pick-up. Outer.
MSRP $14.80
$11.40
MSRP $14.80
$11.40
8
OEM NEW 2005-2020 Ford Front Crankshaft Timing Cover Oil Seal Ring Xw4Z6700Aa
Ford
Ford Description: 4.6L / 5.4L Engine Front Crankshaft Timing Cover Oil Seal Gasket Ring Is a Direct Factory Replacement For The Following:
2005-2012 Ford Mustang GT -4.6L / 5.4L Engines
2002-2010 Ford Explorer -4.6L Engines
2002-2010 Mercury Mountaineer -4.6L Engines
2004- ...
MSRP $15.45
$12.98
MSRP $15.45
$12.98
9
Ford F150 F250 Expedition Engine Crankshaft Position Sensor OEM Motorcraft DY922
Ford
Ford Description: Engine Crankshaft Position Sensor Direct Factory Replacement For: 1999-2016 Ford E-150 E-250 E-350 E-450 E-550 Econoline Vans2007-2011 Ford Crown Victoria1997-2014 Ford Expedition2002-2010 Ford Explorer2007-2010 Ford Explorer Sport Trac1997-2010 Ford F-15 ...
MSRP $66.55
$45.66
MSRP $66.55
$45.66
10
OEM NEW 1991-2019 Ford E-350 Super Duty Camshaft Position Sensor 1W7Z-6B288-AB
Ford
Ford MSRP $49.64
$34.06
MSRP $49.64
$34.06
11
OEM NEW 1999-2014 Ford Expedition Limited Lincoln Navigator Oil Pump 9L3Z-6600-A
Ford
Ford Description: Ford Parts are the only parts designed and built to the specific standards of Ford Motor Company and are the only parts recommended for use in your Ford or Lincoln vehicle.
MSRP $240.00
$165.60
MSRP $240.00
$165.60
12
MSRP $93.68
$64.64
14
OEM NEW Ford 1997-2014 E150 E250 E350 Cutaway Cargo Sd Oil Pan Gasket 3L3Z6710Aa
Ford
Ford MSRP $53.83
$40.29
MSRP $53.83
$40.29
15
OEM NEW Ford 2005-10 F250 F350 5.4L Lariat Engine Oil Level Dipstick 5C3Z6750Ba
Ford
Ford Description: 5.4L.
MSRP $106.70
$73.62
MSRP $106.70
$73.62
16
OEM NEW Ford 05-10 F-250 F-250 F350 Sd 5.4L Dipstick Tube Assembly 5C3Z6754Ba
Ford
Ford Description: 5.4L.
MSRP $165.37
$114.10
MSRP $165.37
$114.10
17
Ford OEM Engine Oil Filter Lincoln Mercury Motorcraft FL820S F1AZ6731BD
Ford
Ford Description: (1) Ford Genuine, Motorcraft Engine Oil Filter Is a Direct Factory Replacement For The Following:
1992-2010 Crown Victoria 1994-1996 Ford Bronco 1995-2000 Ford Contour 2009-2014 Ford E-150 2009-2014 Ford E-250 2009-2014 Ford E-350 Super Duty 1999-2015 For ...
MSRP $12.71
$9.79
MSRP $12.71
$9.79
Related Parts
Part # / Description / Price
Price
OEM NEW 2004-2014 Ford Expedition Left Valve Cover Grommet 7L1Z-6C519-A
Ford
Ford Description: Ford Parts are the Only parts designed and built to the specific Standards of Ford Motor Company and are the Only parts recommended for use in your Ford or Lincoln vehicle. 5.4L. Incl.Bolt. Incl.Grommet.
MSRP $14.40
$12.10
MSRP $14.40
$12.10
MSRP $4.67
$4.20
MSRP $6.05
$5.45
Engine Crankshaft Main Bearing Cap Bolt
Ford
Ford Description: 9 x 53.5mm. Threads Into Side of Bearing Cap. 10 Per Package.
MSRP $2.64
$2.37
MSRP $2.64
$2.37
MSRP $9.00
$7.56
OEM NEW 2000-2019 Ford E-350 Super Duty Bolt Bearing Cap Hex HeadF6AZ-6345-AA
Ford
Ford Description: 10 x 94.5mm. 1 Per Package. Threads Into Bottom of Bearing Cap.
MSRP $8.39
$7.04
MSRP $8.39
$7.04
